vymena diod
Moderátoři: Mods_senior, Mods_junior
- martin131
- Level 2

- Příspěvky: 185
- Registrován: 03 říj 2007 18:15
- Bydliště: Praha
- Kontaktovat uživatele:
Re: vymena diod
takze nejaka chyba? tam nejde o to aby to svitilo hodne, diody budou zepredu case
WS - i5@2.8Ghz, 4GB RAM, 640GB, Ati Radeon X5850, Se7en
NTB - Intel Atom D525, 4GB RAM, 320GB, Nvidia Ion 2, Se7en
SERVER - P4 2,8 Ghz, 1GB RAM, 320GB, Debian
Ukládání streamovaného videa do počítače pomocí programu VLC
NTB - Intel Atom D525, 4GB RAM, 320GB, Nvidia Ion 2, Se7en
SERVER - P4 2,8 Ghz, 1GB RAM, 320GB, Debian
Ukládání streamovaného videa do počítače pomocí programu VLC
Re: vymena diod
Je to kreslenév EXCELu a tam udělat malej blesk je strašná piplačka. Nebo už je pro LEDku nějaká jiná značka?
ASUS Prime Z390-P / Hexa Core Intel core i5 Coffee Lake-S / Gigabyte GeForce GTX 650 Ti / FORTRON BlueStorm Bronze 80PLUS / W 11
- martin131
- Level 2

- Příspěvky: 185
- Registrován: 03 říj 2007 18:15
- Bydliště: Praha
- Kontaktovat uživatele:
Re: vymena diod
ja zapomnel ze neni dioda jako dioda
pochopil jsem to ale dobre 
WS - i5@2.8Ghz, 4GB RAM, 640GB, Ati Radeon X5850, Se7en
NTB - Intel Atom D525, 4GB RAM, 320GB, Nvidia Ion 2, Se7en
SERVER - P4 2,8 Ghz, 1GB RAM, 320GB, Debian
Ukládání streamovaného videa do počítače pomocí programu VLC
NTB - Intel Atom D525, 4GB RAM, 320GB, Nvidia Ion 2, Se7en
SERVER - P4 2,8 Ghz, 1GB RAM, 320GB, Debian
Ukládání streamovaného videa do počítače pomocí programu VLC
- zlobyl
- Tvůrce článků
- Příspěvky: 1760
- Registrován: 16 dub 2006 19:25
- Bydliště: Slaný
- Kontaktovat uživatele:
Re: vymena diod
To zapojení s tranzistorem je dobré, ale osobně bych použil raději optočlen, aby byly ty ,,tuningové" obvody více odděleny od desky. 
Prosím, omluvte mou častou nepřítomnost na fóru.Bohužel jsou věci, které člověk nemůže ovlivnit a já tudíž nemám moc času, abych se sem dostal.Budu se snažit tady být vždy, když to bude možné, ale nic zaručit nemohu.Je mi to líto.
- bulterierjirka
- Level 2

- Příspěvky: 177
- Registrován: 21 led 2007 15:07
- Bydliště: Frýdecko - Místecko
Re: vymena diod
Optočlen by byl jistota ale myslím že tranzistor stačí. Ale ještě bych tam dal odpor do báze (2 - 10 k) a místo odporu před každou ledku by stačil jeden v kolektoru.
- martin131
- Level 2

- Příspěvky: 185
- Registrován: 03 říj 2007 18:15
- Bydliště: Praha
- Kontaktovat uživatele:
Re: vymena diod
to jsou na me moc odborne vyrazy
co nevidim na obrazku to nedokazu pripajet
WS - i5@2.8Ghz, 4GB RAM, 640GB, Ati Radeon X5850, Se7en
NTB - Intel Atom D525, 4GB RAM, 320GB, Nvidia Ion 2, Se7en
SERVER - P4 2,8 Ghz, 1GB RAM, 320GB, Debian
Ukládání streamovaného videa do počítače pomocí programu VLC
NTB - Intel Atom D525, 4GB RAM, 320GB, Nvidia Ion 2, Se7en
SERVER - P4 2,8 Ghz, 1GB RAM, 320GB, Debian
Ukládání streamovaného videa do počítače pomocí programu VLC
- bulterierjirka
- Level 2

- Příspěvky: 177
- Registrován: 21 led 2007 15:07
- Bydliště: Frýdecko - Místecko
Re: vymena diod
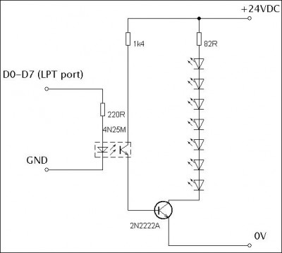
Nevím sice který odborný výraz tě překvapil, ale tady máš trochu upravené schema.
Ten odpor v bázi musíš vyzkoušet jestli není moc velký. To samé odpor pro ledky.
Tranzistor musí vydržet proud 20mA na jednu diodu, ale záleží na typu diody.
A teď mě napadlo, kdybys použil nízkoodběrové diody co berou třeba jenom 2mA je možná ten tranzistor zbytečný
Ten odpor v bázi musíš vyzkoušet jestli není moc velký. To samé odpor pro ledky.
Tranzistor musí vydržet proud 20mA na jednu diodu, ale záleží na typu diody.
A teď mě napadlo, kdybys použil nízkoodběrové diody co berou třeba jenom 2mA je možná ten tranzistor zbytečný
- martin131
- Level 2

- Příspěvky: 185
- Registrován: 03 říj 2007 18:15
- Bydliště: Praha
- Kontaktovat uživatele:
Re: vymena diod
mohu pouzit tento tranzistor? http://www.ges.cz/?page=index&or=sort&i ... ES04900590" onclick="window.open(this.href);return false;
WS - i5@2.8Ghz, 4GB RAM, 640GB, Ati Radeon X5850, Se7en
NTB - Intel Atom D525, 4GB RAM, 320GB, Nvidia Ion 2, Se7en
SERVER - P4 2,8 Ghz, 1GB RAM, 320GB, Debian
Ukládání streamovaného videa do počítače pomocí programu VLC
NTB - Intel Atom D525, 4GB RAM, 320GB, Nvidia Ion 2, Se7en
SERVER - P4 2,8 Ghz, 1GB RAM, 320GB, Debian
Ukládání streamovaného videa do počítače pomocí programu VLC
Re: vymena diod
První , co bys měl udělat je najít si diody , které tam chceš mít, dneska jsou i takové velké a svítí jako žárovky. To chceš osvítit pokoj?Tedy napřed vybrat LED , u nich zjistit spotřebu , udávané napětí, proud- násobit 5. Teprve potom najít odpovídající tranzistor.
Při práci s programy HJT, ComboFix,MbAM, SDFix aj. zavřete všechny ostatní aplikace a prohlížeče!
Neposílejte logy do soukromých zpráv.Po dobu mé nepřítomnosti mě zastupuje memphisto , Žbeky a Orcus.
Pokud budete spokojeni , můžete podpořit naše forum:Podpora fóra
Neposílejte logy do soukromých zpráv.Po dobu mé nepřítomnosti mě zastupuje memphisto , Žbeky a Orcus.
Pokud budete spokojeni , můžete podpořit naše forum:Podpora fóra
- martin131
- Level 2

- Příspěvky: 185
- Registrován: 03 říj 2007 18:15
- Bydliště: Praha
- Kontaktovat uživatele:
Re: vymena diod
jsou to uplne obycejne stredni cervene diody tzn. 20mA, 1.7V
WS - i5@2.8Ghz, 4GB RAM, 640GB, Ati Radeon X5850, Se7en
NTB - Intel Atom D525, 4GB RAM, 320GB, Nvidia Ion 2, Se7en
SERVER - P4 2,8 Ghz, 1GB RAM, 320GB, Debian
Ukládání streamovaného videa do počítače pomocí programu VLC
NTB - Intel Atom D525, 4GB RAM, 320GB, Nvidia Ion 2, Se7en
SERVER - P4 2,8 Ghz, 1GB RAM, 320GB, Debian
Ukládání streamovaného videa do počítače pomocí programu VLC
Re: vymena diod
Před nedávnem jsem si zkonstruoval něco podobného. V mém případě jde o "LED reflektory" spínané z paralelního portu (LPT), který je ovládán prográmkem LEngineD. Odpor do LEDek by bylo potřeba přepočítat a rovněž upravit zapojení LED, podle použitého napětí, úbytku napětí na LED a požadovaného proudu. Rozhodně doporučuji, nepřipojovat cokoliv k počítači bez optočlenu.
Co nejde silou, jde ještě větší silou... 
- martin131
- Level 2

- Příspěvky: 185
- Registrován: 03 říj 2007 18:15
- Bydliště: Praha
- Kontaktovat uživatele:
Re: vymena diod
Ja nak moc nechapu co to ten optoclen je
wikipedii jsem projizdel, ale stale to nejak nechapu... ani nevim jaky typ bych mel pouzit... jsem na to trochu lama 
WS - i5@2.8Ghz, 4GB RAM, 640GB, Ati Radeon X5850, Se7en
NTB - Intel Atom D525, 4GB RAM, 320GB, Nvidia Ion 2, Se7en
SERVER - P4 2,8 Ghz, 1GB RAM, 320GB, Debian
Ukládání streamovaného videa do počítače pomocí programu VLC
NTB - Intel Atom D525, 4GB RAM, 320GB, Nvidia Ion 2, Se7en
SERVER - P4 2,8 Ghz, 1GB RAM, 320GB, Debian
Ukládání streamovaného videa do počítače pomocí programu VLC
-
- Podobná témata
- Odpovědi
- Zobrazení
- Poslední příspěvek
-
- 2 Odpovědi
- 9759 Zobrazení
-
Poslední příspěvek od viktorsavo
-
- 8 Odpovědi
- 13648 Zobrazení
-
Poslední příspěvek od Alferi
-
- 2 Odpovědi
- 22840 Zobrazení
-
Poslední příspěvek od bugicek7lpCZ
-
- 13 Odpovědi
- 105047 Zobrazení
-
Poslední příspěvek od šulda

