generátor pulzu -obdelník

Místo pro témata a příspěvky spadající MIMO počítačovou problematiku (tedy např. sport, zdraví, vtipy, škola...).

Moderátoři: Mods_senior, Mods_junior

Radix
Level 5
Level 5
Příspěvky: 2165
Registrován: 16 zář 2006 15:58

Re: generátor pulzu -obdelník

Příspěvek od Radix »

Pro zajímavost tabulka.
33 2010 Odpor lidskéhom těla.JPG
Josef Purš
nováček
Příspěvky: 12
Registrován: 31 srp 2009 17:17

Re: generátor pulzu -obdelník

Příspěvek od Josef Purš »

Radix píše:Celkem málo informací. Ten oscilátor má vydávat tón, nebo napájet elektromagnet u přístroje pro magnetoterapii (u něho je kmitočet jen jednotky až desítky Hz), nebo něco jiného?
Zdravím. Oscilátor pouští vyrobené kmity do ručních vodivých držáků o napětí asi 9 voltů. Pomáhají i male Hz cca 4-8 Hz které se ručně vyklepají prstem na jeden držák. Je to únavné a je to jen tyto malé Hz.Chce to větší rozsah a udržet jej aspoň 10 minut bez pauzy.Kdybych to neměl pozitivně ověřené tak to nesháním.Zatím ale bohužel nic ve stavu kdy to postaví středně znalý práce s elektronikou jsem neobdržel.Mrzí mě to. Na takové foru jsem čekal aspoň dva navrhy. Josef Purš
Radix
Level 5
Level 5
Příspěvky: 2165
Registrován: 16 zář 2006 15:58

Re: generátor pulzu -obdelník

Příspěvek od Radix »

Vždyť jsem ti dal odkaz na obr. 76 z toho čísla AR, které sis stáhnul. I s popisem úprav. Příliš složité?
0043.jpeg
Radix
Level 5
Level 5
Příspěvky: 2165
Registrován: 16 zář 2006 15:58

Re: generátor pulzu -obdelník

Příspěvek od Radix »

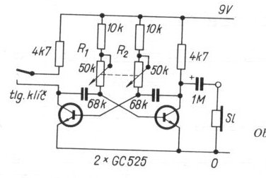
Tady máš totéž se dvěma tranzistory (astabilní multivibrátor). Frekvence se dá měnit změnou odporů R3 a kondenzátorů C. Místo pevných odporů R3 se dá použít dvojitý potenciometr a měnit frekvenci plynule.

Osobně bych na to šel jinak. Kmity bych nevolil obdélníkové, ale pilové nebo jehlové. Ty by ty parazity daleko účinněji propíchaly. Na takovou tasemnici jedině pila nebo jehla.
0044.jpeg
Uživatelský avatar
mmmartin
Moderátor
Příspěvky: 9676
Registrován: 31 srp 2004 17:25
Bydliště: Praha

Re: generátor pulzu -obdelník

Příspěvek od mmmartin »

Místo pevných odporů R3 se dá použít dvojitý potenciometr...
To snad ne! Odpory R3 nastavují pracovní body tranzistorů.
A ještě jedna připomínka: opravdu bys považoval za osobní příkoří, kdybys vynechal OT vtipnosti, kterými svoje příspěvky doplňuješ?
ASUS Prime Z390-P / Hexa Core Intel core i5 Coffee Lake-S / Gigabyte GeForce GTX 650 Ti / FORTRON BlueStorm Bronze 80PLUS / W 11
Radix
Level 5
Level 5
Příspěvky: 2165
Registrován: 16 zář 2006 15:58

Re: generátor pulzu -obdelník

Příspěvek od Radix »

To snad ne!
A proč ne? Měnit pracovní bod tranzistoru se nesmí?
0045.jpeg
0045.jpeg (16.04 KiB) Zobrazeno 424 x
Uživatelský avatar
El Diablo
Elite Level 11.5
Elite Level 11.5
Příspěvky: 14099
Registrován: 17 čer 2006 10:27
Bydliště: In Hell
Kontaktovat uživatele:

Re: generátor pulzu -obdelník

Příspěvek od El Diablo »

Čistě náhodou:
Vyděržaj pijaněr / Indukční přístroj
http://www.aukro.cz/show_item.php?item=741809273" onclick="window.open(this.href);return false;
RTFM!!! UBCD - Ultimate Boot CD Zkusili jste to vypnout a zapnout? Aneb z PIO do DMA a zpět... :) * Jak provést Clear CMOS
Kdo se moc ptá, málo googlí. Doporučený freeware

i5 3570K, ASRock Z77 Extreme, 16GB Corsair, 120GB SSD Kingston +2TB Samsung, Gigabyte Radeon HD7870, Sharkoon ReX8VE, XL-747H
Radix
Level 5
Level 5
Příspěvky: 2165
Registrován: 16 zář 2006 15:58

Re: generátor pulzu -obdelník

Příspěvek od Radix »

Ten přístroj mám, dokonce jsem ho kdysi převinul na ještě vyšší napětí. Ten ale dává vysokonapěťové impulsy až stovky voltů, ovšem s neškodně malým proudem. Možná by se na parazity hodil lépe. Je napájený plochou baterií, primární proud přerušuje Wagnerovo kladívko.
Pokud zůstaneme u elektroniky, tady je další generátor obdélníkového napětí, sice se stařičkým IO MAA502, ale ten jde nahradit. Nevýhoda je nutnost symetrického napětí.
0046.jpeg
Uživatelský avatar
karlos
Master Level 8
Master Level 8
Příspěvky: 6447
Registrován: 24 kvě 2005 11:01
Bydliště: Domažlice

Re: generátor pulzu -obdelník

Příspěvek od karlos »

Na takové foru jsem čekal aspoň dva navrhy. Josef Purš
Ná fóru, primárně zaměřeném na problematiku PC, bych se klaněl za jakoukoliv snahu o pomoc s problémem ze zcela jiného oboru a odpustil bych si kousavé připomínky. :wink: Každopádně však naši odborníci i v tomto topicu dokázali, že jsou opravdovými odborníky. Posledních několik schémat by již mělo plně postačovat i pro méně zdatné bastlíře, ke zhotovení funkčního zařízení. Případně by se dala použít tato stavebnice, která vyhoví i zcela začínajícím bastlířům.
Co nejde silou, jde ještě větší silou... :-)
Radix
Level 5
Level 5
Příspěvky: 2165
Registrován: 16 zář 2006 15:58

Re: generátor pulzu -obdelník

Příspěvek od Radix »

Tady ovšem čtu, že frekvence pulzů má být značně větší, než jaká se docílí ťukáním na baterii nebo jakou generuje metronom, konkrétně 10 - 41 kHz.
http://www.centrumzdravi.net/boj-proti- ... apper.html" onclick="window.open(this.href);return false;

EDIT: Tady zase uvádějí 2000 nebo 2500 Hz nebo 300 - 500 kHz. Teď se v tom vyznejte.
http://zapper.ic.cz/" onclick="window.open(this.href);return false;
Uživatelský avatar
karlos
Master Level 8
Master Level 8
Příspěvky: 6447
Registrován: 24 kvě 2005 11:01
Bydliště: Domažlice

Re: generátor pulzu -obdelník

Příspěvek od karlos »

Každopádně si myslím, že díky své mnohaleté praxi a soustavnému otloukání, stejnosměrnými i střídavými proudy, různých napětí, kmitočtů i tvarů, musím mít střívka čistá, jak miminko :lol:
Co nejde silou, jde ještě větší silou... :-)
Radix
Level 5
Level 5
Příspěvky: 2165
Registrován: 16 zář 2006 15:58

Re: generátor pulzu -obdelník

Příspěvek od Radix »

Já též. A navíc střeva dočišťuju pivem. Paraziti pak nemají šanci.
Tedy taky provádím výplach střev, ale z opačného konce.
Zamčeno

Zpět na „Vše ostatní (Off topic)“